
Os Vibradores Industriais Pneumáticos Externos de Rolo Tipo OR da Mvl Vibradores Industriais são caracterizados pela redução ou eventual eliminação de fricção por alta frequência e por grande força centrífuga.
Ao mesmo tempo, os Vibradores Industriais Pneumáticos Externos de Rolo Tipo OR são completamente insensíveis a ressonância pois a vibração é gerada por um rolo que descreve um movimento excêntrico dentro de um canal de aço.
O Vibrador Industrial Pneumático Externo de Rolo Tipo OR gera frequências e força centrífuga muito altas com baixo consumo de ar, quando comparadas à força empregada.
É muito utilizado como auxiliar de fluxo, assim como peneiramento, compactação e dissolvimento.
Informações adicionais
Características:
• Disponível em 4 tamanhos
• Temperatura de operação -20°C a 200°C
• Possível operação livre de óleo
• Livre de manutenção
• Grande aceleração
• Grande força centrífuga
• Baixo ruído
• Baixo consumo de ar
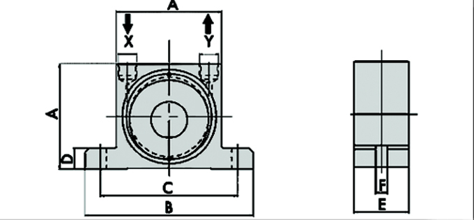
Dados Técnicos



Manual
Manual do Vibrador Pneumático das Linhas S / OT / OR